水泵管道春水堂视频成人选择电磁春水堂视频成人

返回列表 发布日期:2021-06-24 09:24:39 点击量:3380

智能电磁春水堂视频成人管道安装要求

1、为了电磁春水堂视频成人的安装、维护、保养方便,电磁春水堂视频成人周围需保留足够的空间

2、避免电磁春水堂视频成人安装在温度变化很大或受到设备高温辐射的场所

3、春水堂视频成人应安装在室内,如安装在室外,应避免阳光直射,必要时请安装防晒防水装置

4、避免春水堂视频成人安装在含有腐蚀性气体的环境中

5、避免春水堂视频成人安装在有强振动源、强磁场的场所

6、 上、下游工艺管的内径与春水堂视频成人的内径应满足:0.98DN≤D≤1.05DN(DN:春水堂视频成人内径;D:工艺管内径)

7、工艺管与春水堂视频成人需同心,同轴偏差不大于0.05DN

泵的安装如图

管道对电磁春水堂视频成人安装的要求 (图1)

阀的安装

管道对电磁春水堂视频成人安装的要求 (图2)

弯曲管道上春水堂视频成人的安装

管道对电磁春水堂视频成人安装的要求 (图3)

智能电磁春水堂视频成人敞口排放前安装

管道对电磁春水堂视频成人安装的要求 (图4)

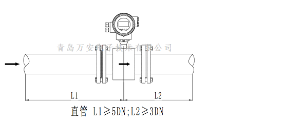
直管段要求

1、水平管道上安装智能电磁春水堂视频成人直管段要求

管道对电磁春水堂视频成人安装的要求 (图5)

2、有弯头管道对电磁春水堂视频成人安装要求

管道对电磁春水堂视频成人安装的要求 (图6)

3、缩颈管道对电磁春水堂视频成人安装直管段的要求

管道对电磁春水堂视频成人安装的要求 (图7)

4、扩径管道对电磁春水堂视频成人安装直管段的要求

管道对电磁春水堂视频成人安装的要求 (图8)

5、泵下游安装电磁春水堂视频成人对直管段的要求

管道对电磁春水堂视频成人安装的要求 (图9)

关键词描述:防爆电磁春水堂视频成人,国产电磁春水堂视频成人,污水电磁春水堂视频成人,进口电磁春水堂视频成人,智能电磁春水堂视频成人,分体式电磁春水堂视频成人,一体式电磁春水堂视频成人,高压电磁春水堂视频成人,电磁春水堂视频成人厂家,电磁春水堂视频成人安装,电磁春水堂视频成人价格,插入式电磁春水堂视频成人,电磁春水堂视频成人工作原理

联系方式:0532-67731362  /0532-67731361

春水堂视频黄APP

春水堂视频黄APP

Related products相关产品

RELATED NEWS相关新闻

微信公众号

友情链接: 阿里巴巴涡街春水堂视频成人厂家天然气春水堂视频成人厂家电磁春水堂视频成人厂家定量控制atp荧光检测仪深圳小产权房大益茶价格POS机代理塑料防水接线盒航空插头农药残留检测仪拾起卖广州中央空调安装OHS18001认证机构密室装修公司民用帐篷气动喷浆机地埋式污水处理设备

Copyright © 2020 青岛春水堂官方网站APP电子技术有限公司 版权所有 鲁ICP备39253322号 技术支持:华夏商务网

网站地图